1 | Camila Souza
When materials mirror nature
Optical polarized light image showing a complex ferroelectric domain pattern revealed in Ka0.5Na0.5NbO3 (KNN) single crystal, which consists of herringbone type (V-shaped) domains assembled in a regular and repetitive fashion.
2 | Paula Ferreira
Digging for knowledge
The materials research is a continuous searching for answers, keeping your eyes and ears alert at all times.
3 | Paula Ferreira
Additive Research Processing
Materials development is an additive process dependent of team work.
4 | Gonçalo Valente
Underwater Luminescence
The synthesis of this purely organic compound involves many techniques of organic chemistry. It is the culmination of 5 successful syntheses. The project arises for implementation in biosensing devices due to the excellent luminescence obtained when dissolved in water.
5 | Ricardo Silva
CNTs-Lettuce Farming
Vertically aligned carbon nanotubes micropillar that resembles a lettuce.
6 | Gabriel Constantinescu
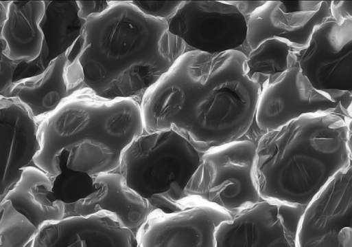
The Underworld
A x2.00k magnification SEM micrograph of a fracture belonging to a SrTiO3-based thermoelectric composite material, showing the morphology and grain boundaries of hidden thermoelectric grains.
7 | Gabriel Constantinescu
The Iron Rift
An EDS map of a transversal fractured surface of a ZnO-based thermoelectric composite material, showing a Fe rich elongated pore resembling a rift.
8 | Gabriel Constantinescu
Depleted metals
An EDS map of a transversal fractured surface of a ZnO-based thermoelectric composite material, showing the remaining metallic particles from a pore, after sintering.
9 | Inês Oliveira
Boiling process of an egg.
Wavelike carbon nanotubes that mimic psychedelic art.
10 | Hugo Trigo
Moment of Creation
This photo was captured when a metal, heated up past the melting point, is ejected to a cold, fast moving, copper wheel. The result is the creation of an amorphous metallic ribbon.
11 | Hugo Trigo
Point of Contact
This moment was captured when melting a piece of Tantalum in the arc melter.
12 | Ricardo Pinto
A mushroom in my sample? :O
Sample of a galactomannan cryogel. This image is the consequence of the inherent process of preparing this type of sample, in which we do not want to destroy the porous structure, which by coincidence gave rise to this unusual result.
13 | Ana Girão
Cornucopia
Electroplated bright nickel – this unusual microscopic pattern of pitting corrosion is the result of varying chemical composition within the metal layer which reacts differently to the 0.5 M neutral NaCl solution attack, at room temperature.
14 | Diogo Marinheiro
Inclusive Workplaces Benefit Everyone
Taking concrete steps towards greater LGBTQ+ inclusivity is a key part of fostering diverse and welcoming scientific workplaces. Last year in the Exploring the Workplace for LGBTQ+ Physical Scientists report, Royal Society of Chemistry (RSC) found that although the workplace climate is generally improving, more actions are needed to build genuine LGBTQ+ inclusivity in the physical sciences. Based on data analysis and further research, RSC has decided to create a set of resources that tackle the key issues faced by LGBTQ+ physical scientists. More details at https://www.rsc.org/new-perspectives/talent/inclusion-and-diversity/resources/lgbt-toolkit/. At Bioinorganic Chemistry Lab (DQUA/CICECO) we are profoundly engaged in the promotion of an inclusive workplace.
15 | Diogo Marinheiro
United Colours of Phenolic-Based Coordination Compounds
Phenolic compounds are a prevalent group of natural molecules that are considered an indispensable component in a variety of nutraceutical, pharmaceutical, and medicinal applications, due to their anti-oxidative, anti-inflammatory, anti-mutagenic, anti-diabetic, antibacterial, and anti-carcinogenic properties. However, despite their multiple health-related properties, phenolic compounds present some characteristics (such as low solubility, low bioavailability, instability, and degradability) that strongly interfere with their biological activity and thus are obstacles to their clinical use. Approaches directed to overcome these drawbacks are of major interest. In this context, phenolic-based coordination compounds (or phenolic-based metal complexes) emerge as a viable alternative. At Bioinorganic Chemistry Lab (DQUA/CICECO) we currently synthesize phenolic-based metal complexes for medicinal applications, such as bacterial resistance, cancer, cardiac disease, and diabetes. Ariana Santos & Diogo Marinheiro 
16 | Diogo Marinheiro
Metal Complexes: A Powerful and Coloured Tool
In the last decades, a plethora of metal complexes (coordination compounds) have been investigated as anticancer, antidiabetic, antimicrobials, and antiviral agents as well for many other medicinal applications. However, despite the encouraging results, very few complexes have been successfully translated into the clinical. In comparison with organic drugs, metal-based compounds are less investigated in preclinical screenings and, consequently, in clinical trials, suggesting that their potential remains untapped. Coordination compounds present unique properties and provide invaluable opportunities for the discovery of therapeutic agents with a novel mechanism of action, able to address the ever-complex health challenges that the world is currently facing. Some of the metal complexes (and their beautiful colours) synthesize at Bioinorganic Chemistry Lab (DQUA/CICECO).
Ariana Santos & Diogo Marinheiro
17 | Dayana Sierra
Microuniverses
View of the surface of a chitosan cast film on the Polarised Optical Microscope, blue filter, 200x.
18 | Paula Barbosa
From Cocoons to Green Energy
The development of new, more eco-friendly materials is essential to reduce greenhouse gas emissions and comply with the 2030 Agenda for Sustainable Development to combat climate change. Therefore, bio-based and biodegradable polymers are major players to design innovative cost-effective and eco-friendly materials with customizable properties and performance.
19 | Noelle Czanini
BioMEMs sample and material development
'BioMEMs prototype and sample in the hands of the student Noelle Zanini. Photograph by Hugo Ribeiro @hugoribeirofotos
BioMEMs is a high-potential, high-risk project that aims to develop advanced devices based on bio-compatible electromechanical systems for rapid implant regeneration through layer-based hard tissue engineering/iron coatings
BioMEMs explores the fabrication of a BioElectroMechanical device designed for the in-situ promotion of bone growth by coating (bio)metal substrates with layers of biodegradable and or biocompatible oxides or polymers with ferroic properties (piezoelectric, flexoelectric, ferroelectric), layers that may or may not be functionalized.
The project leader is Professor Paula Vilarinho from Electroceramics Group. Maxim Ivanov, Júlio Rocha and Noelle Zanini are also active members of the project.
20 | Noelle Czanini
Development of BioMEMs implant
'BioMEMs prototype and sample in the hands of the student Noelle Zanini.
21 | Noelle Czanini
Application of BioMEMs device
'BioMEMs prototype and sample in the hands of the student Noelle Zanini.
22 | Ricardo Pinto
Ghostbusters Foambusters… Any resemblance to a ghost is pure science/coincidence!
SEM images of (semi-)flexible castor oil biofoams reinforced with 2.5 % microcrystalline cellulose (MCC) fibers. The “scary” anthropomorphic-like cell structures is clear visible in the image.
23 | Jéssica Santos
'MicroSmiles' - Finding smiles in science
The image represents a starch-based microparticle obtained by emulsion-gelation and drying whose final shape did not correspond to the desirable/expectable. On the right, the image of perfect lips was represented, with similarities to the previous image.
24 | Jéssica Santos
BioMoon - 'Mirror, mirror mine. Is there someone more beautiful than me?'
The image represents an alginate-based microparticle obtained by emulsion-gelation and drying in contrast to an image of the moon of Saturn, Mimas.
25 | Paula Ferreira
Aveiro - a challenge for passivation process
Aveiro is a challenge for materials resistance. The passivation, a chemical treatment of steel and other alloys to enhance the ability of the treated surfaces to resist corrosion, is usually compromised by the wet marine climate of Aveiro.
26 | Paula Ferreira
Aveiro, following you with my eyes
Aveiro can always surprise me, when I think I know every corner, a new viewpoint arises.
27 | Paula Ferreira
Materials in a face-to-face meeting
Pandemics is gone and we are back to face-to-face meetings.
28 | Priscila Brosler
When art, gastronomy, materials, and Aveiro's best are united in the same tile
Exterior ceramic tiles of the "Confraria de São Gonçalo e de Ovos Moles" building, manufactured in the shape of the molds of the famous (and delicious) Aveiro's Ovos Moles, representing the ceramics industry, the art and the gastronomy of Aveiro.
29 | Marguerita Rosa
Resolução de problemas: como ter uma perspectiva diferente" / "Problem solving: how to get a new perspective
Looking down at our world, we can see with greater clarity that problems, sometimes, are not that hard to solve and all we need is to look at them differently with a fresh look, as we did in the beginning. Sounds easy right? Why not live our lives at a slower pace?
30 | Inês Cardoso
Through the looking glass
Reflections are part of our daily life. For ages, humans have been always fascinated by mirrors and their mysterious powers of reflection. Water was the first reflective surface that humans have been aware of, and it has been reflecting the challenges of past and their impact in our present and future. Since people connect better with images, we also wanted to capture those reflections, showing how life was before the present time. Looking back, there is one constant target of reflection that greatly impacted our lives – materials. Their invention and evolution route dictates the path of human life. We often associate the concept of material technology with the avant-garde and the future, but most everyday objects are technological materials. They developed from what was once cutting-edge technology, as an accumulation of experiences, knowledge, and techniques to achieve our present needs. We are moving towards greener and more sustainable materials, and despite of that, they will continue to be reflected and their evolution captured.
31 | Ricardo Pinto
Aveiro, Ria, and the University in more one day
This image shows what was and what is Aveiro through the beauty of a sunset in its estuary. We can also see the University, which has become an integral part of this city. Even at nightfall, it still has lights on and open doors in a continuous formation of new knowledge and, more importantly, people.
32 | Élio Silva
Old tiles #1
Old tiles always have something to say. Their old friends quietly think they speak too loud. But maybe it's their endurance secret.
33 | Élio Silva
Old tiles #2
Old tiles always have something to say. Their old friends quietly think they speak too loud. But maybe it's their endurance secret.
34 | Élio Silva
Old tiles #3
Old tiles always have something to say. Their old friends quietly think they speak too loud. But maybe it's their endurance secret.
35 | Bárbara Ferreira
Painéis azulejares do túnel de Esgueira | Pannel of tiles of "tunel de Esgueira"
O mural, da autoria de Vasco Branco, integra vários painéis figurativos, intercalados, em altos e baixos-relevos, que retratam figuras e profissões características da Região. ! The mural, by Vasco Branco, includes several figurative panels, interspersed, in high and bas-reliefs, which portray figures and professions characteristic of the Region.
36 | Bárbara Ferreira
Painel de azulejos “Pan Am” | Pannel of tiles "Pan Am"
Painel de azulejos pintados à mão, com uma dimensão de (6x3 metros), instalado na Costa do Valado, Oliveirinha. O painel foi produzido na fábrica Aleluia, no início da década de 60. É considerado um dos mais importantes testemunhos da utilização de azulejos tradicionais portugueses para fins publicitários. | Panel of hand-painted tiles, with a dimension of (6x3 meters), installed in Costa do Valado, Oliveirinha. The panel was produced at the Aleluia factory, in the early 60's. It is considered one of the most important testimonies of the use of traditional Portuguese tiles for advertising purposes.
37 | Bárbara Ferreira
Ria de Aveiro fonte de materiais e cores naturais | Ria de Aveiro source of natural materials and colors
Esta é uma das paisagens que se pode observar (e fotografar) ao visitar os Passadiços de Aveiro (Cais da Ribeira de Esgueira). Não faltam razões para parar e apreciar a natureza ao longo das margens da Ria de Aveiro. | This is one of the landscapes that you can observe (and photograph) when visiting the Passadiços de Aveiro (Cais da Ribeira de Esgueira). There is no shortage of reasons to stop and enjoy nature along the banks of the Ria de Aveiro.
38 | Manuel Alves
Hidden beauties on University of Aveiro campus
This picture is from the natural lake of the University of Aveiro, Santiago campus. Altough it is in the middle of the campus, the natural vegetations aroud the lake turns it in a hidden beautie. In fact, i used to park side by side with it for months without noticing it existence. I took this picture with a friend of mine, Mariana Silva, while we are returning from lunch.
39 | Mariana Silva
Nature and time, always
The recapture of these ruins by nature shows us the beauty in change and the strength of time.
Sidenote is great walking around the campus after lunch to take photos with friends.
Shoutout to Manuel for the camera expertise.